

咨詢電話 15301310116 手機:15301310116
微信:15301310116
郵箱:sales@madison-tech.com
地址:北京市海淀區中關村軟件園11號樓一層
發布時間:2024-10-15 14:48:07 人氣:470
本站提供CM圓微型饋通、Sub-D饋通、可焊接版饋通、BNC/MHV/SHV同軸饋通、高電壓饋通等多種型號真空電極及配件、線纜,型號齊全,如本頁未找到您所需要的產品,請聯系我們15301310116(微信同號)。
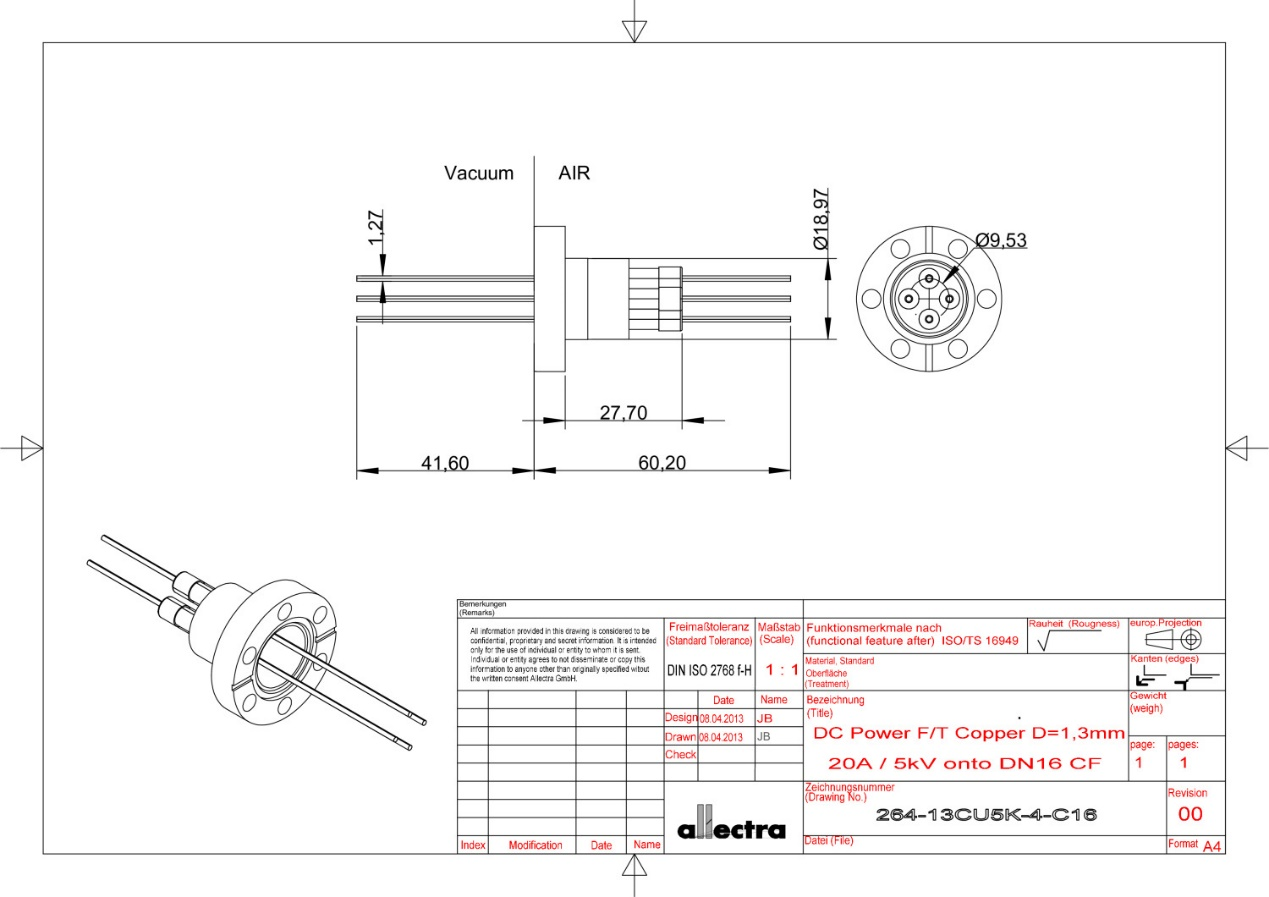
一、5KV功率真空饋通、真空連接器
特點:
導體材料可選不銹鋼、鎳或銅
導體直徑1.3mm
提供單芯可焊接版
4芯可兼容CF16/KF16法蘭

圖1:5KV功率真空饋通的基本技術指標

圖2:4芯5KV-20A功率真空饋通(CF16法蘭)
二、5KV/10KV-30A功率真空饋通、真空連接器
特點:
導體材料可選不銹鋼、鎳或銅
12芯可兼容CF40/KF40法蘭
可定制法蘭和功率饋通的排布

圖3:5KV-30A功率真空饋通的基本技術指標

圖4:10KV-30A功率真空饋通的基本技術指標

圖5:12芯5KV-50A功率真空饋通(CF40法蘭)
以上就是北京麥迪森科技有限公司提供的Allectra 幾種大功率真空饋通,更多產品及定制服務歡迎咨詢15301310116(微信同號)。
