

咨詢電話 15301310116 手機:15301310116
微信:15301310116
郵箱:sales@madison-tech.com
地址:北京市海淀區中關村軟件園11號樓一層
發布時間:2024-10-16 16:45:32 人氣:459
本站提供熱偶饋通、CM圓微型饋通、Sub-D饋通、BNC/MHV/SHV同軸饋通、高電壓/電流饋通、光纖饋通等多種型號真空電極、連接頭、線纜及配件,型號齊全,如本頁未找到您所需要的產品,請聯系我們15301310116(微信同號)。
隨著科學發展,光纖在真空環境中的應用越來越廣泛。通常需要通過光纖把信號從真空中傳輸出來,或者把“光”引入到真空腔體中。而在真空和大氣環境的連接處,需要通過光纖真空饋通來實現和維持真空腔體內外的真空差,同時保證信號的傳輸。
Allectra 高真空光纖真空饋通常見分類主要有三類:
1.階躍型光纖(The Step Index Fibres):通常用于光照明、激發或者加熱,如光譜學應用。光纖外徑為400或600微米。
2.漸變型光纖(The Graded Index Fibres):該光纖為典型的數據傳輸光纖,信號失真度小。
3.單模光纖(The Single Mode Types):該光纖直徑(6~9微米)比傳輸光的波長小,因此只有一條光路,信號失真度小。
上述漸變型光纖和單模光纖的外徑為125微米。
高真空(HV)光纖耦合真空饋通
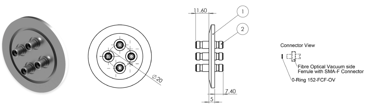
光纖耦合真空饋通簡單實用,一個饋通即可把信號導入/導出真空腔體。饋通兩端采用F-SMA接頭,O圈密封(Buna-N O Ring / Viton O-Ring),真空度可達10-8mbar。芯徑可選200/400/600μm,法蘭可選KF、CF或定制法蘭。

圖1:高真空光纖耦合真空饋通的技術參數

圖2:高真空光纖耦合真空饋通(DN40KF法蘭/O圈密封/4芯)

圖3:高真空光纖耦合真空饋通(DN40CF法蘭/O圈密封/單芯)
(注:CF40法蘭可容納4個光纖耦合真空饋通)

圖4:真空內光纖的基本技術參數

圖5:真空內光纖選型

圖6:真空內光纖實物圖(F-SMA接頭/不銹鋼屏蔽層)
以上就是北京麥迪森科技有限公司提供的Allectra 高真空光纖真空饋通常見分類,更多產品及定制服務歡迎咨詢15301310116(微信同號)。
