

— 合作品牌 —
咨詢電話 15301310116 手機:15301310116
微信:15301310116
郵箱:sales@madison-tech.com
地址:北京市海淀區中關村軟件園11號樓一層
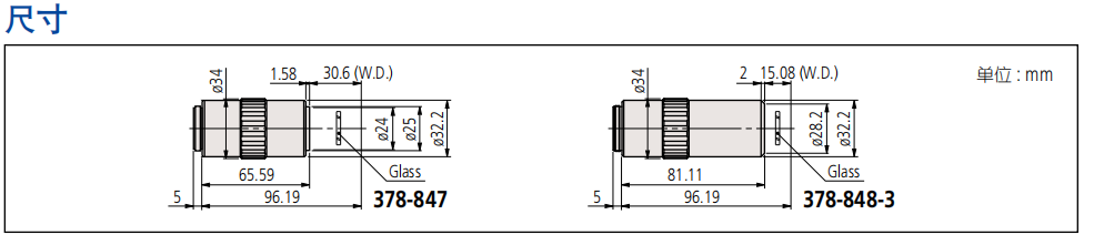
長距離近紅外/紫外物鏡
日本Mitutoyo三豐顯微物鏡G Plan Apo,超長工作距離顯微物鏡,玻璃厚度(t = 3.5mm)校正,G Plan Apo用于明視場觀察和測量的顯微物鏡,本站三豐物鏡產品型號齊全,如本頁未找到您所需要的產品,請聯系我們15301310116(微信同號)
產品詳情
本站三豐物鏡產品型號齊全,如本頁未找到您所需要的產品,請聯系我們15301310116(微信同號)
日本Mitutoyo三豐顯微物鏡G Plan Apo,超長工作距離顯微物鏡,玻璃厚度(t = 3.5mm)校正,G Plan Apo用于明視場觀察和測量的顯微物鏡


以上就是北京麥迪森科技有限公司提供的日本Mitutoyo三豐顯微物鏡G Plan Apo產品介紹,關于三豐物鏡價格請直接咨詢15301310116(微信同號)。
